产品介绍

Product Introduction

MS41908M采用扭矩纹波修正技术,与AN41908完全兼容

 
       MS41908M是一款用于网络摄像机和监控摄像机的镜头驱动芯片,与AN41908 PIN to PIN兼容
       芯片内置光圈控制功能;通过电压驱动方式以及扭矩纹波修正技术,实现了超低噪声微步驱动。需要技术支持、申请样品请联系:17727443385(V同号)。
应用
  • 摄像机
  • 监控摄像机
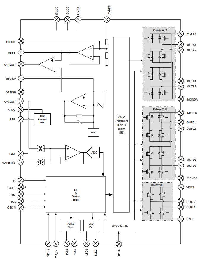
内部框图
典型应用图

Copyright © 2002-2020 深圳市万亿嘉新科技有限公司 版权所有 备案号:粤ICP备2022038728号

在线客服 联系方式 二维码

服务热线

0755-26641026

扫一扫,关注我们